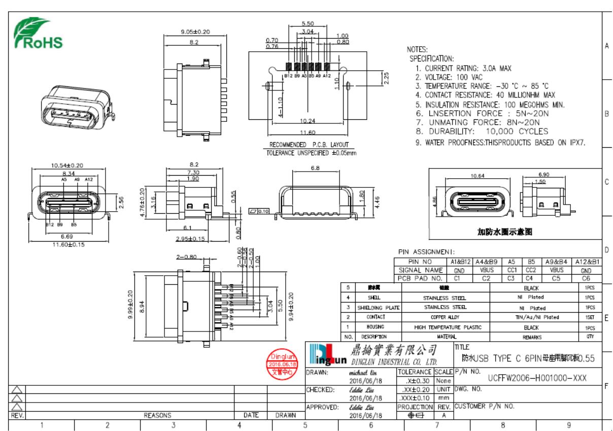
防水USB TYPE C 6PIN母座兩腳沉板0.55
SPECIFICATION:
1.CURRENT RATING:3.0A MAX
2.VOLTAGE:100 VAC
3.TEMPERATURE RANGE:-30°C ~ 85°C
4.CONTACT RESISTANCE:40 MILLIONHM MAX
5.INSULATION RESISTANCE:100 MEGOHMS MIN.
6.LNSERTION FORCE:5N~20N
7.UNMATING FORCE:8N~20N
8.DURABILITY:10000 CYCLES
9.WATER PROOFNESS:THISPRODUCTIS BASED ON IPX7.
包裝:卷裝
點擊加入LINE官方立刻詢問
