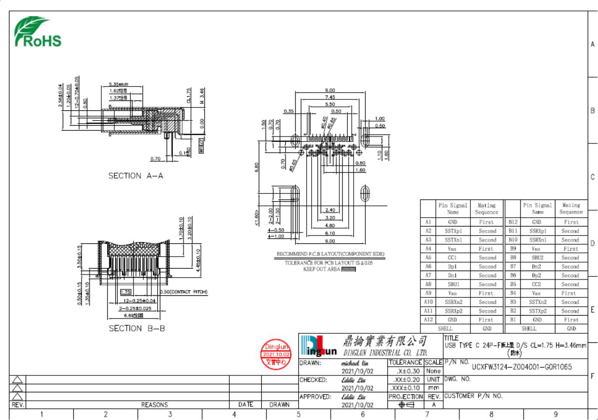
防水USB TYPE C 24P-F 板上型 DIP+SMT L=10.65mm
NOTE:
1.MATERIAL:
1-1.INSULATOR:HIGH TEMPERATURE PLASTIC UL94V-0;
1-2.CONTACT:COPPER ALLOY(T=0.15mm)
1-3.SHELL:STAINLESS STEEL(T=0.20mm)
2.ELECTRICAL CHARACTERISTICS:
2-1.CONTACT RESISTANCE:40mΩ Max FOR INITAL. 10mΩ CHANGE AFTER TEST.MEASURE AT 20mV,100mA.
2-2.CONTACT CURRENT RATING:5A FOR COLLECTIVELY POWER SUPPLY PIN(PINA1,A4,A9,A12,B1,B4,B9,B12);
1.25AFOR VCONN PIN;0.25A FOR OTHER SIGNAL PIN.
2-3.DIELECTRIC WITHSTANDING VOLTAGE:100V AC R.M.S.
2-4.INSULATION RESISTANCE:100MΩ Min
2-5.OPERATING TEMPERATURE:-40°C ~ 85°C
3.MECHANICAL CHARACTERISTICS:
3-1.MATING FORCE:5~20N
3-2.UNMATED FORCE:6~20N AFTER TEST
3-3.DURABILITY:10000 CYCLES
4.PLATING:
4-1.TERMINAL CONTACT:(SEE TAB) GOLD PLATING ALL OVER 50u" Min NICKEL AND 80u" Min Tin ALL OVER
50u" Min NICKEL ON SOLDER AREA
4-2.OUT SHELL:50u" Min. NICKEL ALL OVER
4-3.INNER SHELL:DEGREASE
包裝:卷裝
點擊加入LINE官方立刻詢問
