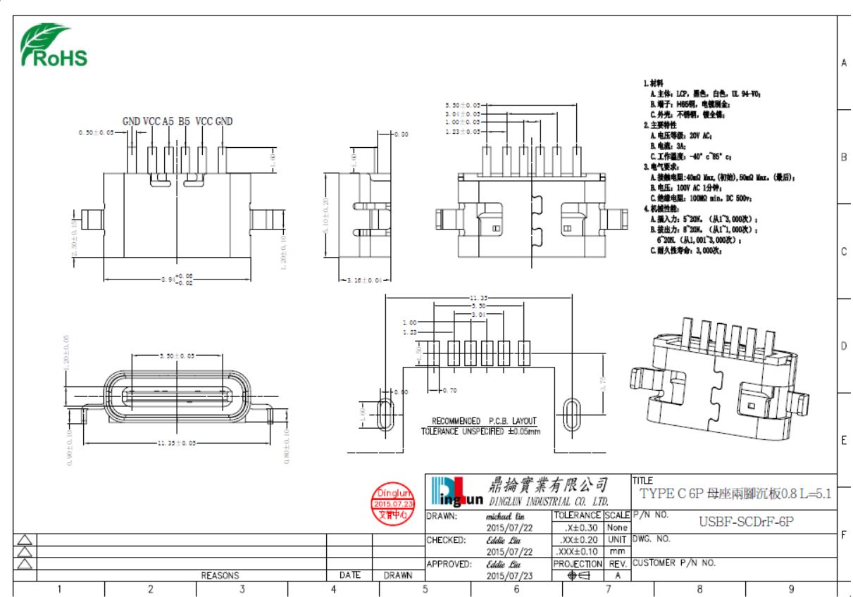
USB 3.1 TYPE C母座6P沉板式 短體L=5.1mm兩腳插板
1.材料:
A.主體:LCP,黑色,白色,UL94-V0
B.端子:H65銅,電鍍刷金
C.外殼:不銹鋼,鍍全鎳
2.主要特性:
A.電壓等級:20V AC
B.電流:3A
C.工作溫度:-40ºC ~ 85ºC
3.電氣要求:
A.接觸電阻:40mΩ Max(初始),50mΩ Max(最後)
B.電壓:100V AC 1分鐘
C.絕緣電阻:100MΩ min. DC 500v
4.機械性能:
A.插入力:5~20N(從1~3000次)
B.拔出力:8~20N(從1~1000次);6~20N(從1001~3000次)
C.耐久性壽命:3000次
包裝:卷裝
點擊加入LINE官方立刻詢問
