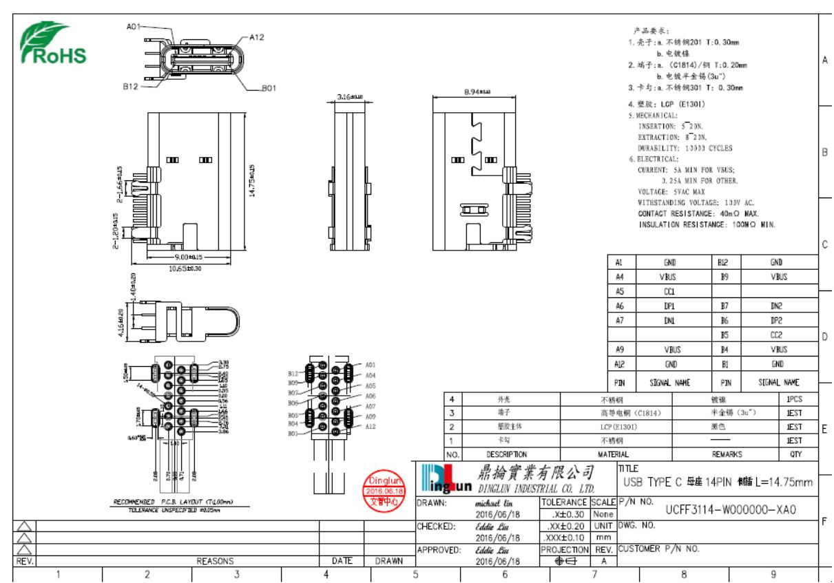
USB 3.1 TYPE C母座14P 90度側立式插板DIP L=14.75mm
1.外殼:a.不銹鋼201 T:0.30mm
b.電鍍鎳
2.端子:a.(C1814)/銅 T:0.20mm
b.電鍍半金錫(3u")
3.卡勾:a.不銹鋼301 T:0.30mm
4.塑膠:LCP(E130I)
5.MECHANICAL:
INSERTION:5-20N
EXTRACTION:8-20N
DURABILITY:10000 CYCLES
6.ELECTRICAL:
CURRENT:5A MIN FOR VBUS;0.25A MIN FOR OTHER
VOLTAGE:5VAC MAX
WITHSTANDING VOLTAGE:100V AC
CONTACT RESISTACE:40mΩ MAX
INSULATION RESISTANCE:100MΩ MIN
包裝:吸塑盒
點擊加入LINE官方立刻詢問
