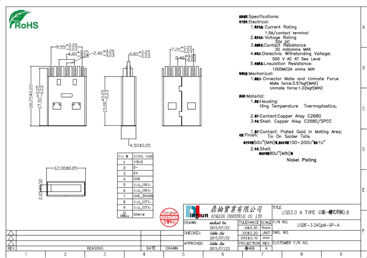
USB 3.0 A TYPE公座一體式夾板0.8mm
電氣特性Electrical:1.額定電流Current Rating:1.5A/contact terminal
2.額定電壓Voltage Rating:30V DC
3.接觸阻抗Contact Resistance:30 milliohms MAX
4.耐電壓Dielectnic Withstanding Voitage:500V AC AT Sea Levol
5.絕緣阻抗Lnsulation Resistance:1000MEGA ohms MIN
物理性能Mechanical:
插拔力Cnnector Mate and Unmate Force:Mate force:3.57kgf(MAX)
Unmate force:1.02kgf(MIN)
原材料Matorial:
1.塑膠Housing:Hing Temperature Tnermaplastics
2.端子Contact:Copper Alloy C2680
3.外殼Shell:Copper Alloy C2680/SPCC
電鍍Finish:
1.端子Contact:Piated Gold in Mating Area;Tin On Solder Talls
端子四周鍍50U"(MIN)錫,鍍金區域鍍100-200U"鍍金1U"
2.外殼Shell:銅殼四周鍍80U"(MIN)錫
Nickel Plating
包裝:吸塑盒

